
Études béton armé et construction métallique fiables, réactives et conformes aux normes.


• Dimensionnement de structure béton armé et maçonnerie
• Calcul de renforcements
• Fondations superficielles & mur de soutènement
• Vérifications de stabilité interne/externe
• Calcul d'ancrages et scellements
• Production de notes de calcul & notes d'hypothèses BA
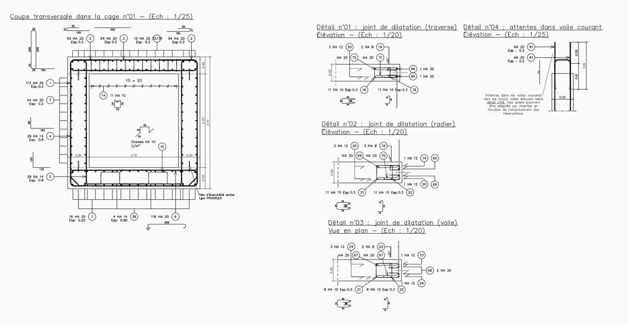
• Production de plans d'implantation, coffrage, ferraillage et nomenclatures

• Production de plans d'implantation, coffrage, ferraillage et nomenclatures
• Production de plans de charpente métallique, fiches d'assemblages, fiches de débit et nomenclatures
• Plans d’ensemble, plans de détails et coupes techniques EXE
• Élaboration des nomenclatures, quantitatifs et repérages
• Adaptation des livrables aux standards entreprises, bureaux de contrôle et MOE

• Modélisation 3D de structures béton armé & métalliques
• Plans d'installations de chantier et phasages 3D
• Synthèse structurelle et coordination géométrique
• Exploitation et production de livrables BIM
• Vérifications de stabilité interne/externe
• Support à la décision technique via maquettes de synthèse et vues d’analyse

• Dimensionnement de structures métalliques ou de pièces sur-mesure
• Calcul et conception d'assemblages
• Calcul de d'ancrages et scellements
• Production de notes de calcul & notes d'hypothèses CM
• Production de plans d'ensemble, fiches d'assemblages, fiches de débit et nomenclatures
Merci de compléter le formulaire ci-dessous en décrivant votre demande, nous reviendrons vers vous dans les 48 heures
Ou contactez-nous directement par mail : [email protected]
© 2026 Axidis Ingénierie. Tous droits réservés.